韓國瑞巖六爪杠桿動力卡盤(SM-TIL)系列
韓國瑞巖SEOAM六爪杠桿動力卡盤(SM-TIL)系列是一款六爪卡盤,6個卡爪,每兩個成為一雙,一共三雙而成了自動轉動的結構。產品特點:1、夾緊薄管道形狀的工件,能獲取高精密度的圓度。2、六爪設計,增大工件接觸面積防止形變。3、6個卡爪,每
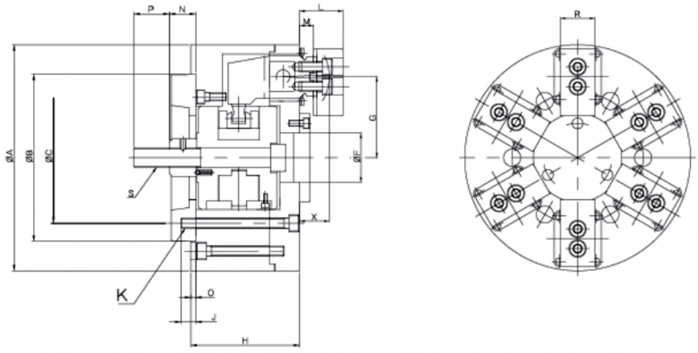
韓國瑞巖SEOAM六爪杠桿動力卡盤(SM-TIL)系列是一款六爪卡盤,6個卡爪,每兩個成為一雙,一共三雙而成了自動轉動的結構。
產品特點:
1、夾緊薄管道形狀的工件,能獲取高精密度的圓度。
2、六爪設計,增大工件接觸面積防止形變。
3、6個卡爪,每兩個成為一雙,一共三雙而成了自動轉動的結構。
4、使用優質的鋼材,精密研磨,使用壽命長。




