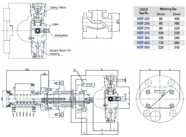
韓國瑞巖自動分度卡盤SM-HSR系列
韓國瑞巖SEOAM自動分度卡盤SM-HSR系列是一款分度動力卡盤,適合夾持多位面加工的工作,能實現45°和90°分度。產品特點:1、是用在多位面加工的專用卡盤,例如水泵、十字鎬等工件。2、一次裝夾能完成四面或八面加工。3、?機床主
韓國瑞巖SEOAM自動分度卡盤SM-HSR系列是一款分度動力卡盤,適合夾持多位面加工的工作,能實現45°和90°分度。
產品特點:
1、是用在多位面加工的專用卡盤,例如水泵、十字鎬等工件。
2、一次裝夾能完成四面或八面加工。
3、 機床主軸在旋轉中也能自動地分度為90?或45?。




